HOME
HLKK_LEISTUNGEN
REFERENZEN
OBJEKTE
DOKUMENTE
PLÄNE
PARTNER
LINKS
KONTAKTE
HOME
HLKK_LEISTUNGEN
REFERENZEN
OBJEKTE
DOKUMENTE
PLÄNE
PARTNER
LINKS
KONTAKTE
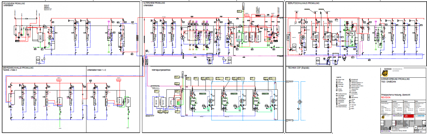
Pläne
Auszüge und Planunterlagen die für die Unternehmer als Ausführungsgrundlagen dienen.
Prinzipschema
Button
Perspektive Lüftungszentrale
Button
Kanalnetz Lüftungsanlage
Button
Werkplan Bodenheizung
Button
Share by: